
반응형

신형 레이와 캐스퍼의 전조등에는 그동안 보지 못했던 H19 규격이 사용됩니다.
60/55W로 기존에 흔히 사용하던 H4와 같아보입니다.
전구 하나에 두개의 필라멘트가 들어서 상/하향을 같이 사용하죠.
추가적으로 자료를 찾아보기로 합니다.


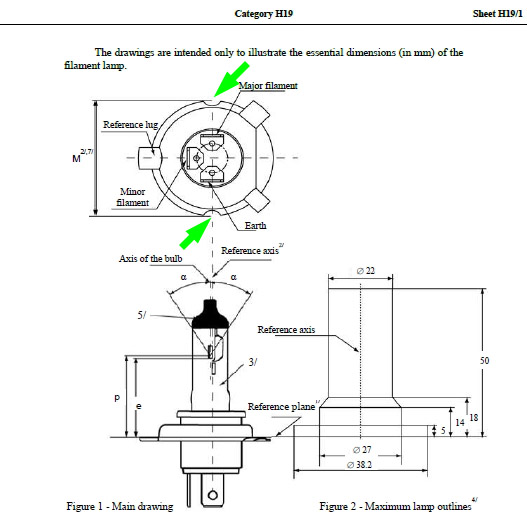
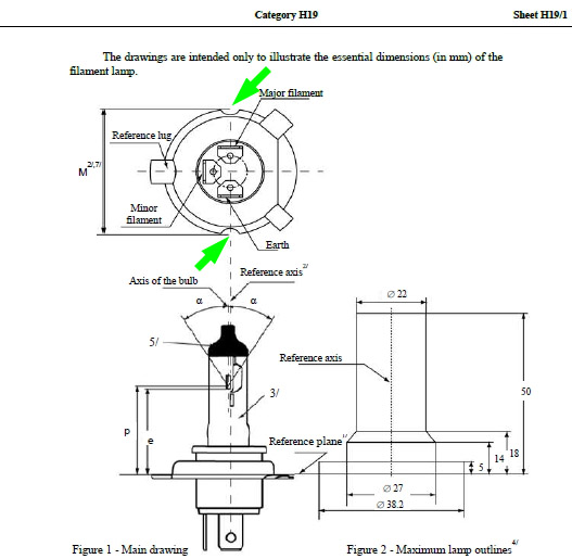
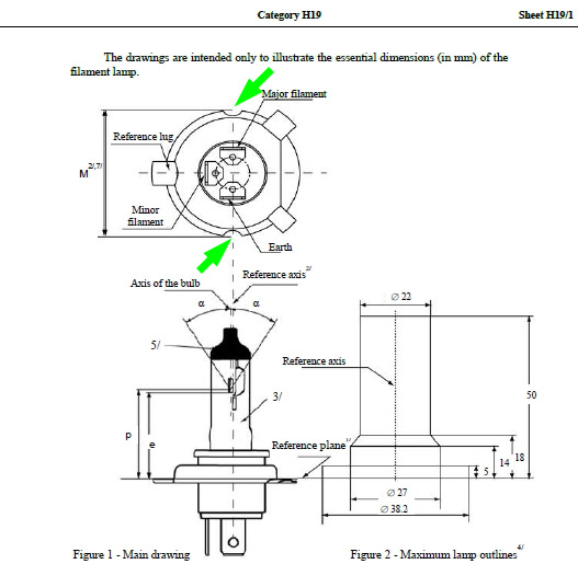
일단은 규격집을 찾아서 확인해봅니다.
치수도 동일해 보이고, 표시한 부분의 오목한 부분을 제외하고는 동일해 보입니다.


와트(W)는 동일한데 1650/1000lm 에서 1750/1200lm으로 밝기가 올라갔습니다.
도면도 확인했고 밝기가 올라가니
기존 차량에서 H19 전구를 사용가능하겠는데? 생각이 듭니다.
도면에서 확인 불가능한 부분이 있어 실제 전구를 주문해봅니다.

이렇게 보면 유리관의 크기 차이만 확인됩니다.

도면에서는 놓쳤던 부분인데 소켓의 돌기 부분 하나의 크기 차이가 있네요.
저부분은 헤드램프에 끼울때 중요한 부분입니다.
H19의 돌기를 약간 잘라내어 사용가능할것으로 보여집니다.

아.. 하지만 반사갓의 위치가 다르네요.
이러면 빛의 초점이 엉뚱한데로 가버리기 때문에 서로 바꿔서 사용은 불가능해진다는 결론입니다.
비슷하지만 개조해서 바꿔서는 사용할 수 없다는 결론이 나네요.
혹시나 시도해보실분들 하지마세요. 다른차량에 피해가 갑니다.
반응형
'자 동 차' 카테고리의 다른 글
| 기아자동차 순정 네비게이션 목적지 설정 방법 (1) | 2025.05.27 |
|---|---|
| [쏘렌토] 에어컨 필터 교체 DIY (0) | 2025.03.23 |
| 기아 멤버스 포인트를 전환하는 방법 (1) | 2024.12.13 |
| 순정 DMB 락 해제 원리 (0) | 2014.07.03 |